
新一代微型机接地装置定线设备可广泛用于小电流接地系统软件中性点不接地、中性线经消弧线圈(旧式消弧线圈,手动控制)直接接地、中性线经自动追踪消弧线圈和阻尼电阻接地装置三种情况。这三种接地装置定线的形式,由微型机接地装置定线装置控制字确定。当选择控制字为0(00)时,定线方法界定为中性点不接地系统软件,程序流程按基波零序电流方位基本原理工作中;当选择控制字为1(01)时,其补偿方式界定为中性线经消弧线圈直接接地,手机软件按五次谐波辨别法基本原理工作中;当选择控制字为2(10)时,其补偿方式界定为中性线经自动追踪消弧线圈及阻尼电阻接地装置,手机软件按有功功率份量辨别法基本原理工作中。
康明斯发电机房接地装置布置图
五、自动追踪消弧线圈设备
鉴于消弧线圈的电感电流能够相抵接地点流下的电容电流,当调整很好的时候,电孤大多数能自灭。由于接地电流获得赔偿,短路故障并不能发展成两色常见故障,因此中性线经消弧线圈接地方法的供电可靠率大大高于别的接地方式,但老式消弧线圈也存在着如下所示缺陷。
1、老式消弧线圈缺陷
(1)调节无法及时开展
在我国电力系统中现在广泛采用的都是手动式调匝消弧线圈,当需要调分接开关时,必须使消弧线圈撤出运作,即不可以线上调消弧线圈。以其调整不方便,在实际使用中非常少依据电力网电容电流的变动及时的调节分接开关部位。还由于没有在线动态测量系统软件电容电流的机器,操作人员无法断定出是不是需进行控制及调整到哪一个档位。因此事实上虽配有消弧线圈,在电力系统运行模式变化时,却不能很好的赔偿电容电流,依旧有电光不自灭及过压等情况出现。
(2)短路故障定线有误
当系统发生短路故障时,因为接地点残流不大(接地点残流便是经消弧线圈赔偿后还剩下有些高次谐波和有功功率份量电流量),当消弧线圈处在过补偿的状态下,常见故障配电线路和非常见故障线路基波零序电流不论在标值和方向中均无法区分。近些年大多采用零序电流的五次谐波方位来判别接地装置配电线路,可是在实际使用中,因五次谐波含量比较小(≤5%),且长期处于转变当中,而TV和TA是按照基波定制的,对五次谐波存在一定的额外相偏移,导致五次谐波输出功率方位电磁阀全自动判接地装置禁止。据相关材料统计分析,五次谐波法判接地装置准确度大约只有60%~70%,使接地短路无法及时获得解决。
2、自动追踪消弧线圈基本原理详细介绍
自动追踪消弧线圈选用微型机自动追踪控制板,自动测量计算系统电容电流等相关主要参数,依据赔偿度等时间常数自动调节消弧线圈分接开关,使消弧线圈有载分接开关设到黄金位置。自动追踪消弧线圈设备按更改电感器方式的不同分为如下所示四种类型:有载开关调匝式(电感器有级可调式)、可调式磁密式(无极调电感器)、直流偏磁式(无极调工作电压)、可控硅调电容式(电感器有级可调式)。
可调式磁密式是依靠挪动插进电磁线圈内部结构移动铁心来调节磁化强度从而改善线圈电感的,因为这种铁心是可以持续挪动,因而电感器持续可调式。但是它响应速度长,最长可达数十秒且噪声大。直流偏磁式是由添加直流电流更改电磁线圈铁心的磁通量工作部位,做到调电感的目地。可控硅调电容式是运用四组可控硅不一样通断方式进行4个电容器按15种排列方式资金投入中性线变压器二次侧来调节一次侧的特性阻抗,以达到更改消弧线圈电感的目地。
直流偏磁式或可控硅调感式因为是全电子式,调感便捷,较容易实现全情况调感。全情况调感指的是在正常运转情况、金属材料接地装置情况、间歇性电孤接地装置情况,则在各种各样状况下均可自动调感。有载开关调分接开关和精磁密式消弧线圈由于机械设备调感较慢,不可以实现多情况全自动调感。
在我国电力网里的消弧线圈全是分接开关调匝式消弧线圈,海外绝大多数也是采用该类方法调感。尽管该类脚踏式调感较慢,但把无载电源开关改成有载开关并采用非预宫调,即操作时没有进行调挡实际操作,因此比较大地减少了精确测量周期时间,使有载分接开关调感自动追踪消弧线圈设备进入实用阶段。

中性线经消弧线圈接地设备
3、自动追踪消弧线圈设备详细介绍
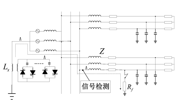
自动追踪消弧线圈装置由Z型接地变压器、自动追踪消弧线圈、阻尼电阻箱、微型机精确测量追踪控制板、微型机定线保护设备五部分构成。
(1)Z型接地变压器。
在变压器为Δ布线或Y形但是没有中性线引出来时,Z型接地变压器作为引出来中性线联接消弧线圈。因而系统软件已经有中性线引出来时可不用Z型接地变压器。所说Z型布线便是坎坷布线,一般变压器零序磁通量在磁柱内不可以商品流通,只能依靠漏磁通顺着变压器外壳组成磁通量的通道。因此零序电流能够顺利的根据Z型接地变压器,从中性线导出至消弧线圈。
一般在系统软件不均衡工作电压比较大前提下,Z型接地变压器制成平衡式,Z型变压器中性点就会有不均衡工作电压导出,能够自动追踪精确测量控制板自动测量系统软件对地电容电流量。可是当系统软件不均衡工作电压较小时(如全电缆线电力网)Z型变电器就需要制成不平衡式,使Z型变压器中性点有50~100V的不稳定工作电压导出,以适应全自动眼踪精确测量控制系统的精确测量必须。为了能灵活运用接地变压器资源,接地变压器除能带消弧线圈外,也能带二次负荷,即取代站用变电器,但是要注意带二次负荷时,接地装置变压器容量应是消弧线圈容积与二次负载容积总和。
(2)自动追踪消弧线圈。
采用自动调匝式可调式消弧线圈,将绕阻按不同的线圈匝数抽出来9~15挡的分接开关,用有载分接开关开展自动选择,更改接入的线圈匝数,从而改善电感量。这类全自动调匝式消弧线圈简易、靠谱,现阶段应用较多。别的几种方式有的还在实验研发环节。为了降低残流提升分接开关数(依据容积不一样,有9~15挡的调匝量),使每挡分接开关更改电感量值比较小,从而使得调整电感量尽可能达到最好部位,残流降到最小值。
(3)阻尼电阻箱。
自动追踪消弧线圈有三种运行模式:过补偿、欠赔偿、全赔偿。当运作在整个赔偿时,因为偿还的电感电流贴近相当于系统软件电容电流,贴近谐振点运作,因而残流比较小。为避免发生谐振过电压,在消孤电磁线圈接地回路中串连阻尼电阻箱。那样,即便在长期运行中占据全补情况,但是因为电阻的阻尼作用,中性线工作电压也不会超过中性线长期运行最大容许工作电压(在我国技术规范中要求为直流电压的15%)。
当发生单相接地故障时,消弧线圈、阻尼电阻与常见故障配电线路根据故障原因组成控制回路。因为尼电阻的存有,在这个通道中产生有功功率电流量份量,根据阻尼电阻造成电阻分量工作电压,从而提高中性线工作电压。因为有功功率电流量份量标值比较大,因而短路故障时中性线工作电压将突破规定值。为了避免中性线过压,在阻尼电阻的两边并接有两付接触器触点,在正常运行时,这两付接触点断掉,即便处在全补情况,也可使串联谐振电流量越来越不大,阻碍了中性线工作电压上升。当单相接地故障产生0.5s后,自动控制系统这两付接触点接入,使这时候有功功率电流量份量降至零值,一样避免了中性线工作电压上升。所以该系统能够运行于过补偿、欠赔偿、全赔偿三种方式。
为了与接地装置定线设备相互配合,单相接地故障时和减振电阻并联的两付接触点延迟0.5s关闭,以便接地装置定线装置在0.5s内取样有功功率电流量份量,经取样测算较为挑选出网络里有功功率电流量份量最大者即是接地装置配电线路。
与接地装置定线设备相互配合全自动调匝追踪式装置中,减振电阻的作用有两种:
①限定全赔偿状况下因串联谐振造成中性线电位的上升;
②在单相接地故障线路中产生较大的有功功率电流量份量,供接地装置定线设备取样定线。
(4)微型机精确测量控制板。
微型机精确测量控制器和接地装置定线设备可安装于控制柜里,控制柜与自动追踪消弧线圈、阻尼电阻箱及母线槽、交直流电源、中间信号屏间用电缆线相接。接至控制柜中的微型机精确测量控制器的作用是:
①根据单片微机精确测量UAB、U值,经测算得到系统总的电容电流;
②依据赔偿多度动作值规定,操纵调节消弧线圈的分接开关部位;
③在单相接地故障时操纵阻尼电阻器两边的接触器触点经整定值时长关闭。